7*24 hours Hotline : +8613526427771
Southeast Asia sales calls:+66890892025
zhengzhou fenglan boiler co., LTD
tel:+8613526427771
Overseas sales hotline:+66890892025
E-mail:fenglan@guolu.vip
382620615@qq.com
Address:Zhengzhou, Henan, China
WeChat

</li>









Product categories: Burning biomass boiler
Product keywords:SHXF circulating fluidized bed boiler, coal-fired boiler, steam boiler, circulating fluidized
Introduction:SHXF circulating fluidized bed boiler, circulating fluidized bed installation, internal circulation, external circulation, coal-fired boiler, steam boiler, hot water boiler ...
Telephone:+8613526427771
Southeast Asia sales calls:+66890892025
Circulating fluidized bed boiler and control

Circulating fluidized bed boiler

Circulating fluidized bed boiler installation system

The use of circulating fluidized bed boilers in Xinjiang


Circulating fluidized bed boiler steam and hot water technical parameters

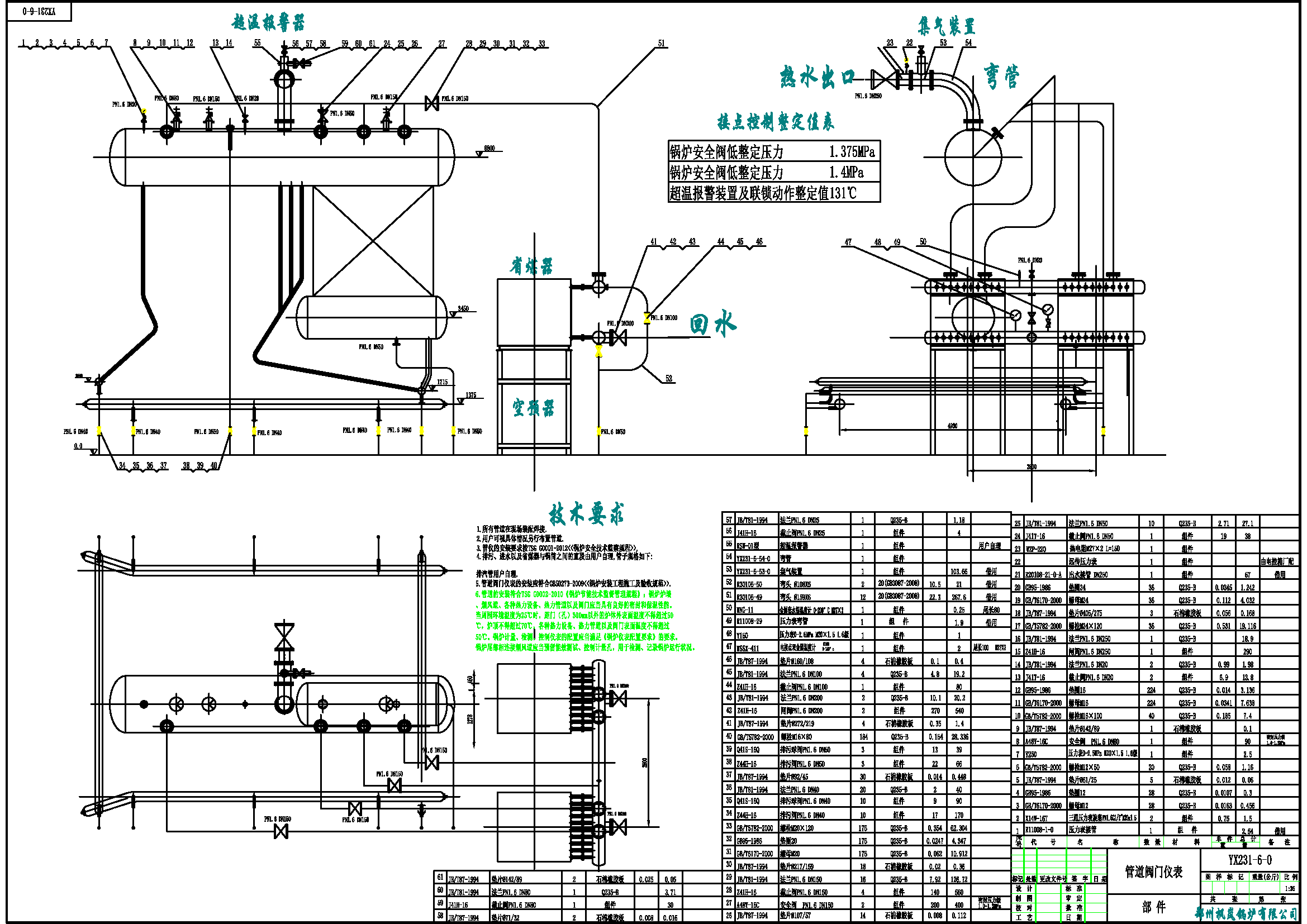
General drawing of circulating fluidized bed boiler

Circulating fluidized bed boiler
The combustion efficiency of the boiler is as high as 95%~99%, the fuel utilization rate is high, the thermal efficiency of the boiler is as high as 83%, energy saving and high efficiency. The fuel has strong adaptability and can meet the combustion of various fuels. Limestone can be added to the fuel, and it reacts with SO2 in the flue gas to generate sulfate during the combustion process. The deacidification effect meets environmental protection requirements.
At the same time, due to the reasonable air distribution and the low combustion temperature of the furnace, the formation of NOX can be suppressed, and environmentally friendly combustion can be truly achieved. The boiler load adjustment range is large, and can be adjusted within 110%~30%, which is especially suitable for occasions where the boiler load fluctuates widely. The degree of automation is high, and the boiler can be operated safely and economically for a long time.
The new technology of low-rate circulating fluidized bed combustion has improved the problems of boiler wear, coking and blockage of the return device, high dust concentration of the boiler and difficulty in slag discharge.
part
